Intshayelelo
I-3 Indlela ye-Hydraulic Adapter iyahlula okanye idibanise imigca emithathu ye-hydraulic, isixhobo esiluncedo kwiinkqubo ezininzi. Yenziwe ngezinto ezinamandla, iphatha kakuhle uxinzelelo oluphezulu, kwaye iyeke ukuvuza. Ingena iinxalenye kwiifektri, iifama, kunye neigaraji. Kulula ukuyifaka, kufuna ukhathalelo oluncinci, kwaye igcina ulwelo luhamba kakuhle. Ilungele zonke iintlobo zomsebenzi, ihlala ixesha elide.



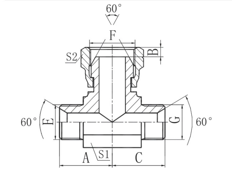
Iinkcukacha

|
ISIQENDU INOMBOLO. |
UMCHUKU |
IMILINGANISELO |
||||||
|
E |
F |
G |
A |
B |
C |
S1 |
S2 |
|
|
BB-02 |
G1/8"X28 |
G1/8"X28 |
G1/8"X28 |
19.8 |
5.5 |
19.8 |
11 |
14 |
|
BB-04 |
G1/4"X19 |
G1/4"X19 |
G1/4"X19 |
24.5 |
5.5 |
24.5 |
14 |
19 |
|
BB-06 |
G3/8"X19 |
G3/8"X19 |
G3/8"X19 |
27.5 |
6.3 |
27.5 |
16 |
22 |
|
BB-08 |
G1/2"X14 |
G1/2"X14 |
G1/2"X14 |
34.5 |
7.5 |
34.5 |
22 |
27 |
|
BB-12 |
G3/4"X14 |
G3/4"X14 |
G3/4"X14 |
40 |
10.9 |
40 |
27 |
32 |
|
BB-20 |
G1.1/4"X11 |
G1.1/4"X11 |
G1.1/4"X11 |
50.5 |
11 |
50.5 |
41 |
50 |
|
BB-24 |
G1.1/2"X11 |
G1.1/2"X11 |
G1.1/2"X11 |
57.5 |
13 |
57.5 |
48 |
55 |
|
BB-32 |
G2"X11 |
G2"X11 |
G2"X11 |
72.5 |
16 |
72.5 |
63 |
70 |
Iiparamitha/iDatha yobuGcisa
|
Eyoqobo |
Zhejiang, China |
Umhla wokuzisa |
Kuyathethwana |
|
Isiqinisekiso |
GB/T19001-2016 idt ISO9001:2015 |
Ukupakisha |
umgangatho wokuthumela ngaphandle |
|
Izinto eziphathekayo |
Intsimbi yeCarbon |
Iwaranti |
1 unyaka |
|
Ixesha lokuhlawula |
TT |
MOQ |
2000 |
|
Imeko |
Entsha |
Umbala |
I-zinc emhlophe, i-zinc yombala |
Malunga neNkampani












Iingenelo
Umgangatho ophezulu
Iqela lethu leengcaphephe lidibanisa izakhono zobugcisa kunye namava olawuloSigcina ulawulo olungqongqo lwekhwalithi kunye nezatifikethi zobungcali
Amava Rich
Isekwe ngo-2011Ngoku ithumela ngaphandle kumazwe 40+ kwihlabathi liphela aquka: i-USA, iJamani, i-UK, i-Australia, i-Russia, i-Brazil, i-Canada, kunye nokuThenjwa ngabathengi bamazwe ngamazwe ngenkonzo esemgangathweni.
Uluhlu olubanzi lweeMveliso
Iindidi ezi-4 zeemveliso eziphambili:
Ufakelo lwe-hydraulic
Iiferrules zeHydraulic
Iiadaptha zeHydraulic
Ufakelo lwetyhubhu yenayiloni
Ngaphezu kwe-100 yeemveliso ezahlukeneyo ezikhoyo
Amaxabiso oKhuphiswano
Sinikezela ngeemveliso ezisemgangathweni ngamaxabiso afanelekileyo.Kwakhiwe intembeko eyomeleleyo yabathengi ngokusebenzisa:
Umgangatho othembekileyo
Iindlela zoshishino ezinyanisekileyo
Ukukhula okuhambelanayo kweminyaka eyi-10
UMthengi-Inkonzo eJolisiweyo
Ukwaneliseka kwakho yeyona nto iphambili yethu.Impendulo eKhawulezayo kuyo yonke imibuzo.Izisombululo zobuchwephesha kuzo zonke iimfuno
Indawo yeQhinga
Ibekwe ngokufanelekileyo kufutshane ne-Hangzhou.Uqhagamshelo lwezothutho olugqwesileyo.Ukuhanjiswa ngokukhawuleza nangokufanelekileyo

FAQ
Umbuzo: Kutheni ukhetha thina?
A: Sisebenze nge-hydraulics iminyaka eyi-10. Iimveliso zethu zikumgangatho olungileyo, ziza newaranti yeenyanga ezili-18{4}, kwaye sizizisa ngokukhawuleza. Sikwanceda ukonga iindleko, kwaye inkonzo yethu yasemva{5}yentengiso ayinaxinzelelo.
Umbuzo: Ngaba siyifektri okanye inkampani yokurhweba?
A: Singumzi-mveliso wokuqala owenza ukufakwa koxinzelelo lwehydraulic. Sigxile ekwenzeni nasekuziphuculeni iminyaka eli-10.
Umbuzo: Uhambisa ixesha elingakanani?
A: Ukuba sinempahla esitokhweni, idla ngokuthatha 7-intsuku ezili-15. Ukuba akunjalo, iintsuku ezingama-30-45-oku kuxhomekeke ekubeni zingaphi oda.
Umbuzo: Uhlawula njani?
A: Hlawula i-30% xa uqinisekisa umyalelo. Hlawula i-70% eseleyo emva kokuba sikuthumelele ikopi yephepha lomthwalo.
Umbuzo: Ngaba singazifumana iisampuli? Ngaba bakhululekile?
A: Kwiimveliso zethu zangoku, sinokunika iisampuli ezi-2 zamahhala zokuvavanya. Kodwa kufuneka uhlawule ngokuthumela ngenqanawa. Ngeemveliso zesiko, thetha nathi ukuze senze isampula yesicwangciso.
Q: Kuthekani ukuba kukho ingxaki esemgangathweni xa usebenzisa?
A: Siqinisekisa umgangatho weenyanga ezili-12 (ukususela kumhla wokuhanjiswa). Zonke iingxaki ezingabangelwa ngabantu ziyagutyungelwa.
Umbuzo: Yeyiphi eyonaodolo incinci esinokuyibeka?
A: Kwiimveliso ezikwistokhwe, ungathenga nje i-1. Ukwenzela{1}}{2}}imveliso zempahla, siyakuqinisekisa eyona iodolo incinci ngokweenkcukacha zemveliso.
Umbuzo: Ngaba unokwenza iimveliso kwimizobo?
A: Ewe, singakwazi. Kodwa sifuna iimfuno ezicacileyo zobugcisa kunye nemigangatho yokunyamezela.
Q: Ithini emva{0}}inkonzo yentengiso?
A: Silandelela inkqubo yonke indlela. Siyakuhlaziya apho iimpahla zikhoyo, kwaye sijonge ukuba wonwabile na emva kokuba uzifumene.
Umbuzo: Uwujonga njani umgangatho wemveliso?
A: Sinezixhobo zokuvavanya zobuchwephesha: abavavanyi bokutshiza ityuwa, oomatshini bokuxinana, abavavanyi bobunzima, njl. Sisebenzisa ukuba siqinisekise ukuba iimveliso zilungile.
Q: Ngaba uyanikezela ngenkonzo ye-OEM?
A: Ewe, senza. Qhagamshelana nathi ngeenkcukacha ezithe vetshe.
Umbuzo: Loluphi uhlobo lwepakethe oyisebenzisayo?
A: Okwangoku, sisebenzisa iibhokisi. Kodwa sixelele iimfuno zakho, kwaye siya kuzama ukuhlangabezana nazo.
Umbuzo: Ndizakulifumana nini ixabiso?
A: Sidla ngokuthumela ikowuti kwiiyure ezisi-8 emva kokuba sifumene umbuzo wakho malunga namaxabiso.
Iifayile ezishisayo: I-adapter ye-3 ye-hydraulic, i-China 3 indlela abavelisi be-adapter ye-hydraulic, i-factory
