Intshayelelo
I-T Hydraulic Adapter yi T-isidibanisi esimilo esahlula ukuhamba kwehydraulic kakuhle, yenziwe ngemathiriyeli eyomeleleyo ukuze isebenze kakuhle phantsi koxinzelelo oluphezulu. Ingena kwiindawo ezininzi kwiifektri, iifama, kunye neenkqubo zeemoto, iyayeka ukuvuza, kwaye kulula ukuyibeka endaweni. Ifuna ukhathalelo olungephi, igcina ulwelo luhamba luzinzile, kwaye inceda oomatshini basebenze kakuhle ixesha elide{3}}kakhulu kuzo zonke iintlobo zemisebenzi.



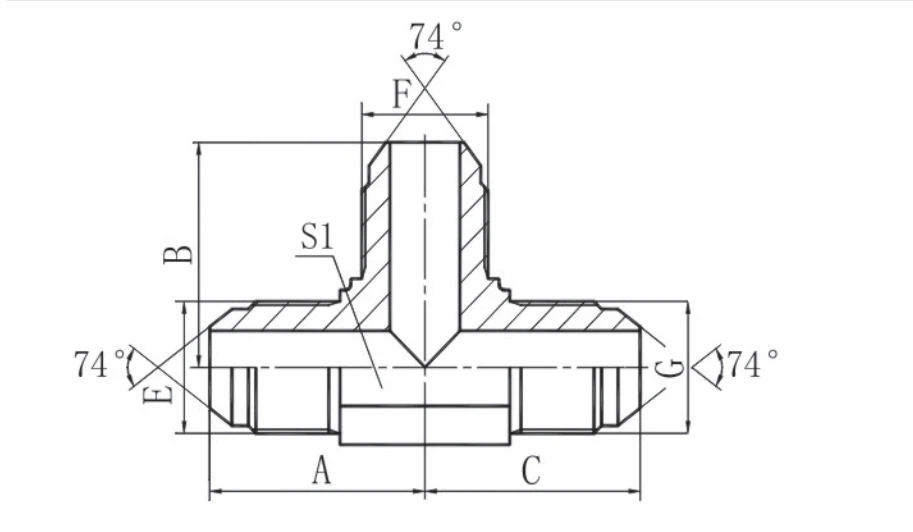
Iinkcukacha

|
ISIQENDU INOMBOLO. |
UMCHUKU |
IMILINGANISELO |
|||||
|
E |
F |
G |
A |
B |
C |
S1 |
|
|
AJ-04 |
7/16*X20 |
7/16*X20 |
7/16*X20 |
24.5 |
24.5 |
24.5 |
11 |
|
AJ-04-06-04 |
7/16*X20 |
9/16*X18 |
7/16*X20 |
26.6 |
26.9 |
26.6 |
14 |
|
AJ-05 |
1/2*X20 |
1/2*X20 |
1/2*X20 |
26 |
26 |
26 |
14 |
|
AJ-06-04-06 |
9/16*X18 |
7/16*X20 |
9/16*X18 |
26.9 |
26.6 |
26.9 |
14 |
|
AJ-06 |
9/16*X18 |
9/16*X18 |
9/16*X18 |
26.9 |
26.9 |
26.9 |
14 |
|
AJ-08-06-08 |
3/4*X16 |
9/16*X18 |
3/4*X16 |
32 |
30 |
32 |
19 |
|
AJ-10 |
7/8*X14 |
7/8*X14 |
7/8*X14 |
37.8 |
37.8 |
37.8 |
22 |
|
AJ-12 |
1.1/16*X12 |
1.1/16*X12 |
1.1/16*X12 |
44.2 |
44.2 |
44.2 |
27 |
|
AJ-16 |
1.5/16*X12 |
1.5/16*X12 |
1.5/16*X12 |
49 |
49 |
49 |
33 |
|
AJ-16-12-16 |
1.5/16*X12 |
1.1/16*X12 |
1.5/16*X12 |
49 |
48 |
49 |
33 |
|
AJ-20 |
1.5/8*X12 |
1.5/8*X12 |
1.5/8*X12 |
56.5 |
56.5 |
56.5 |
41 |
|
AJ-24 |
1.7/8*X12 |
1.7/8*X12 |
1.7/8*X12 |
63 |
63 |
63 |
48 |
|
AJ-32 |
2.1/2*X12 |
2.1/2*X12 |
2.1/2*X12 |
78 |
78 |
78 |
63 |
Iiparamitha/iDatha yobuGcisa
|
Eyoqobo |
Zhejiang, China |
Umhla wokuzisa |
Kuyathethwana |
|
Isiqinisekiso |
GB/T19001-2016 idt ISO9001:2015 |
Ukupakisha |
umgangatho wokuthumela ngaphandle |
|
Izinto eziphathekayo |
Intsimbi yeCarbon |
Iwaranti |
1 unyaka |
|
Ixesha lokuhlawula |
TT |
MOQ |
2000 |
|
Imeko |
Entsha |
Umbala |
I-zinc emhlophe, i-zinc yombala |
Malunga neNkampani












Iingenelo
Umgangatho ophezulu
Iqela lethu leengcaphephe lidibanisa izakhono zobugcisa kunye namava olawuloSigcina ulawulo olungqongqo lwekhwalithi kunye nezatifikethi zobungcali
Amava Rich
Isekwe ngo-2011Ngoku ithumela ngaphandle kumazwe 40+ kwihlabathi liphela aquka: i-USA, iJamani, i-UK, i-Australia, i-Russia, i-Brazil, i-Canada, kunye nokuThenjwa ngabathengi bamazwe ngamazwe ngenkonzo esemgangathweni.
Uluhlu olubanzi lweeMveliso
Iindidi ezi-4 zeemveliso eziphambili:
Ufakelo lwe-hydraulic
Iiferrules zeHydraulic
Iiadaptha zeHydraulic
Ufakelo lwetyhubhu yenayiloni
Ngaphezulu kwe-100 yeemveliso ezahlukeneyo ezifumanekayo
Amaxabiso oKhuphiswano
Sinikezela ngeemveliso ezisemgangathweni ngamaxabiso afanelekileyo.Kwakhiwe intembeko eyomeleleyo yabathengi ngokusebenzisa:
Umgangatho othembekileyo
Iindlela zoshishino ezinyanisekileyo
Ukukhula okuhambelanayo kweminyaka eyi-10
UMthengi-Inkonzo eJolisiweyo
Ukwaneliseka kwakho yeyona nto iphambili yethu.Impendulo eKhawulezayo kuyo yonke imibuzo.Izisombululo zobuchwephesha kuzo zonke iimfuno
Indawo yeQhinga
Ibekwe ngokufanelekileyo kufutshane ne-Hangzhou.Uqhagamshelo lwezothutho olugqwesileyo.Ukuhanjiswa ngokukhawuleza nangokufanelekileyo

FAQ
Umbuzo: Kutheni ukhetha inkampani yethu?
A: Inkampani yethu yi-10-ingcaphephe ye-hydraulic yeminyaka eyi-10, ekumgangatho othembekileyo, iwaranti yeenyanga ezili-18-inde, ukuhanjiswa okukhawulezayo, ukuphuculwa kweendleko, kunye nokungenaxhala emva kokuthengisa.
Umbuzo: Ngaba siyifektri okanye inkampani yokurhweba?
A: Singumthombo wemveliso ye-hydraulic joints, sigxile kwimveliso kunye nophando kunye nophuhliso lweminyaka eyi-10.
Umbuzo: Lingakanani ixesha lethu lokuhambisa?
A: Ukuba isitokhwe, ngokuqhelekileyo kuthatha iintsuku ezi-7-15. Okanye ukuba iimpahla azikho kwisitokhwe, kuthatha iintsuku ezingama-30-45, ezixhomekeke kubuninzi.
Umbuzo: Ithini imiqathango yethu yokuhlawula?
A: Hlawula i-30% yediphozithi emva kokuqinisekiswa komyalelo, kunye nebhalansi ye-70% kunye nekopi yebhilidi yomthwalo
Umbuzo: Ngaba sinokubonelela ngeesampuli? / Ngaba sinokubonelela ngeesampuli zamahhala?
A: Kwiimveliso zangoku, iisampuli ze-2 zinokubonelelwa ngovavanyo lwamahhala, kwaye umthengi kufuneka athwale iindleko zokuthumela; kwiimveliso ezenzelwe wena, nceda uqhagamshelane nathi ukuze uthethe isicwangciso isampula
Umbuzo: Siya kwenza ntoni xa sifumana iingxaki ezisemgangathweni ngexesha lokusetyenziswa?
A: Ngexesha leenyanga ezili-12{1}}zexesha loqinisekiso lomgangatho (elibalwe ukusuka kumhla wokuhanjiswa), wonke umonakalo ongengowamntu ugqunyiwe.
Umbuzo: Yintoni i-MOQ yethu?
A: Kwiimveliso zangoku, sixhasa{0}ukuthengwa kweqhekeza elinye. Kwiimveliso ezingezizo{2}}zempahla, ubuncinci beodolo yobuninzi iya kuqinisekiswa ngokwahlukeneyo ngokwemigaqo yemveliso
Umbuzo: Ngaba sinokuvelisa iimveliso ngokwemizobo?
A: Ukuxhaswa ngokupheleleyo kwemveliso ngokwemizobo, kodwa iimfuno ezipheleleyo zobugcisa kunye nemigangatho yokunyamezela ziyafuneka
Q: Yintoni emva{0}}inkonzo yethu yokuthengisa?
A: Inkonzo egcweleyo yokulandela umkhondo,{0}}uhlaziyo lwexesha lokwenyani lobume bezothutho kunye nokulandelela{1}}ukwaneliseka kwabathengi emva kokusayina.
Umbuzo: Siwujonga njani umgangatho weemveliso zethu?
A: Sineseti epheleleyo yezixhobo zovavanyo lobuchwephesha, kubandakanywa umvavanyi wetyuwa, umatshini wokuzibamba, umvavanyi wobulukhuni, njl., ukulawula ngokungqongqo umgangatho wemveliso
Q: Ngaba inkampani yethu inenkonzo ye-OEM?
A: Ewe, inkampani yethu ibonelela ngeenkonzo ze-OEM. Nceda uqhagamshelane nathi ngeenkcukacha.
Umbuzo: Loluphi uhlobo lokupakisha esinalo?
A: Okwangoku kuphela ukupakishwa kwebhokisi, kodwa ukuba unayo naziphi na iimfuno, sinokuzama ukuhlangabezana nazo
Umbuzo: Ndingalifumana nini ixabiso?
A: Ngokuqhelekileyo sicaphula kwiiyure ze-8 emva kokufumana umbuzo wakho.
Iifayile ezishisayo: iadaptha ye-hydraulic, eTshayina t abavelisi beadaptha yolwelo, umzi-mveliso
